Консультация по тел.: 375(29/44)752-1000

BONUS!!! ПРИ ЗАКАЗЕ ЧЕРЕЗ корзину на сайте доп. СКИДКА 2% и ПОДАРОК!!! 

Время работы:
07:30 - 23:00
БЕЗ ВЫХОДНЫХ
ЭКСПРЕСС ДОСТАВКА
по Минску 1-2 часа
по РБ 1-2 дня

Видеодомофон MIA MARS FHD (белый) (id143934)

(33)
Новинки
Цена: 333,00 руб.  
Перезвоните мне
Проверяем на брак!
Консультация!
Замена\обмен до 20дн.
Скидка через корзину!
Гарантия СЦ + чек!
Обновлено: 2026-04-18
ЭКСПРЕСС ДОСТАВКА по Минску
1 - 2 часа
Закажи сегодня и получи СКИДКУ или ПОДАРОК!!!

Консультация и помощь в выборе!!!

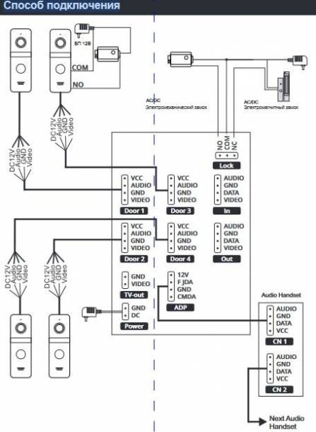
Основные функции домофона
Современный дизайн монитора, с поддержкой FHD качества вызывных панелей и дисплеем 7" TFT LCD.
Все управление осуществляется сенсорными кнопками.
Подключение до 4-х вызывных панелей (с замещением входов для камер)
Подключение до 2-х камер
Подключение до 6 –х мониторов в интерком
Запись фото/видео
Запись детекции движения – 4 канала
Поддержка SD карты до 128 Гб
Выносной блок питания -питание от сети 220В
Громкая связь
Функция отключения звука
Есть дополнительное встроенное реле, что позволяет управлять одновременно воротами и калиткой.
Часы и Автоответчик
Фоторамка и загрузка мелодий MP3
Совместимость с большинством панелей видеодомофонии.
Размеры - 175x20x130 мм
Язык меню: Русский/English/Polish
Способ монтажа: накладной

Детекция по движению
Включите обнаружение движения и включите предварительный просмотр обнаружения движения. Когда перед обнаруженной камерой движется объект, на экране отображается обнаруженное изображение. После возврата в режим ожидания и срабатывания обнаружения движения внутренний монитор отобразит обнаруженное изображение и начнет запись видео или фото. Если предварительный просмотр обнаружения движения не включен, то мониторо не будет транслировать видео онлайн, при обнаружении движения.

Технические характеристики MIA MARS
ВД: Детекция движения Да
ВД: Фоторамка Да
ВД: Часы Да
ВД: Загрузка мелодий Да
Разбивать на позиции Да
Срок гарантии (мес) 36
ВД: Атоответчик Да
ВД: Диагональ экрана 7
ВД: Тип экрана TFT
ВД: Тип управления Сенсорные кнопки
Цвет Белый
ВД: Количество подключаемых вызывных панелей,max 4
ВД: Количество подключаемых мониторов,max 6
ВД: Количество подключаемых видеокамер,max 2
ВД: Разрешение экрана 1024*600
ВД: Формат видео AHD/CBVS/CVI/TVI
ВД: Дополнительное реле да
ВД: Запись фото Да
ВД: Запись видео Да
ВД: Слот для MicroSD Да
ВД: Интерком Да

Действующая гарантия до 12 месяцев в сервисном центре + 14 дней на проверку!
Возможна доставка 2-3 моделей на выбор!!!

Консультация и помощь в выборе всех компонентов видеонаблюдения!


В наличии имеются дополнительные аксессуары: аналоговые и IP-камеры, видеорегистаторы, источники бесперебойного питания, коммутаторы, кронштейны, блоки питания, кабеля, переходники и пр.!

Возможен монтаж и установка (услуга платная).


Характеристики на видеодомофон mia mars fhd (белый)

Отзывы на видеодомофон mia mars fhd (белый)


Ваше мнение может значительно помочь другим покупателям при выборе данного товара и улучшить работу нашего интернет-магазина! Чтобы ваш отзыв был опубликован, расскажите пожалуйста о своем опыте использования данного товара, о том, чем вам понравился товар или, наоборот, с какими проблемами или трудностями вы столкнулись при его использовании.  

Возможно именно Ваш отзыв поможет другим пользователям выбрать необходимый товар и узнать о всех тонкостях данного изделия.

Обзоры и тесты на видеодомофон mia mars fhd (белый)
Обзоры для данного товара времменно отсутствуют.

Канал OLED.By на ютуб

В данном разделе вы можете оставить вопрос по данному товару и наши менеджера либо администратор сайта в самое ближайшее время свяжутся удобным для Вас способом и дадут исчерпывающие ответы на все поставленные вопросы!

Информация о доставке:
   - При общей стоимости заказа меньше 300 руб. стоимость доставки по Минску в пределах кольцевой  – 6 рублей. Свыше 300 - БЕСПЛАТНО независимо от габаритов товара!
   - При общей стоимости заказа меньше 700 руб., стоимость доставки по РБ от 6 до 16 рублей. Свыше 700 - БЕСПЛАТНО! *
   - Экспресс доставка по Минску (в срок не более 2 часов с момента заказа)- + 8 руб. к общей стоимости доставки. (Уточняйте пожалуйста возможность экспресс доставки у менеджера при заказе)

Время доставки Вы определяете самостоятельно, указав его либо в электронной форме заказа, либо сообща нашему менеджеру по телефону. Доставка заказов осуществляются БЕЗ ВЫХОДНЫХ. Оплата заказа осуществляется во время получения товара.

Доставка товаров по РБ и Минску География доставок:
Брестская область - Брест, Барановичи, Дрогичин, Иваново, Ивацевичи, Лунинец, Пинск и др..
Витебская область - Витебск, Лепель, Новополоцк, Орша, Полоцк, Толочин, Ушачи, Шумилино и др..
Гомельская область - Гомель, Жлобин, Калинковичи, Мозырь, Речица, Рогачев, Светлогорск и др..
Гродненская область - Гродно, Волковыск, Зельва, Ивье, Лида, Скидель, Слоним, Щучин и др..
Могилевская область - Белыничи, Бобруйск, Могилев, Осиповичи, Шклов и др..
Минская область - Минск, Борисов, Дзержинск, Жодино, Заславль, Логойск,  Столбцы и др..
СНГ и Европа - доставка по СНГ и странам Европы возможна только на условиях 100% предоплаты стоимости товара и доставки.  Подробности можно уточнить у менеджера по телефону либо через форму обратной связи.


Так же возможно отклонение от основного маршрута на расстояние до 10 км. Если вашего города нет в списке, уточняйте возможность доставки у менеджеров магазина. Доставка по Минску от 2 часов! Доставка по РБ в течении суток с момента поступления заказа!*

В нашем интернет-магазине существует несколько видов оплаты:
  • наличными - при получении товара
  • безналичным -  оплата банковской картой через терминал (Visa, Visa Electron, MasterCard), путем перечисления денег на наш WebMoney WMB кошелек либо оплата через систему «Расчет» (ЕРИП)
  • с юр.лицами и организациями в безналичной форме (оплата через Р-счет) не работаем! Оприходоваиь товар можно через чек и копию чека.
Заказать товары, представленные на сайте, можно по телефонам +37529-75210000 или +37544-75210000, либо через корзину сайта.

*Внимание! Возможны незначительные расхождения в наличии товаров на складе и сайте Интернет-магазина. Рекомендуем Вам уточнять наличие товаров по телефонам. Доставка некоторых товаров может занимать от 2 до 7 дней. Доставка крупногабаритных грузов (более 10кг) при доставке по РБ оплачивается дополнительно.

Уважаемые клиенты!
Теперь забрать Ваши заказы стало еще проще! Самовывоз — это возможность получить покупку в кратчайшие сроки из пунктов выдачи и сэкономить на доставке. В городе Минске у нас работает пункт самовывоза по адресу В.Сырокомли 7 - пав.341 (3-й этаж ТЦ АвтоМирАвто). Время работы пункта самовывоза с 10:00 до 19:00. Выходной - воскресенье.

Обязательно предварительно согласовывайте приезд по телефону, поскольку по указанному адресу находятся далеко не все товары, представленные на сайте.

Карта самовывоза в Минске

Желаем Вам приятных покупок!

ПОХОЖИЕ ТОВАРЫ
Видеодомофон MIA MARS SD (белый)
Видеодомофон MIA MARS SD (белый)
(10)

Современный дизайн монитора, с дисплеем 7" TFT LCD.
Все управление осуществляется сенсорными кнопками.
Подключение до 4-х вызывных панелей (с замещением входов для камер)
Подключение до 2-х камер
Подключение до 4 –х мониторов в интерком
Запись фото/видео
Запись детекции движения – 1 канал
Поддержка SD карты до 32 Гб
330,00 руб.
В корзину
Видеодомофон MIA MARS SD (черный)
Видеодомофон MIA MARS SD (черный)
(24)

Современный дизайн монитора, с дисплеем 7" TFT LCD.
Все управление осуществляется сенсорными кнопками.
Подключение до 4-х вызывных панелей (с замещением входов для камер)
Подключение до 2-х камер
Подключение до 4 –х мониторов в интерком
Запись фото/видео
Запись детекции движения – 1 канал
Поддержка SD карты до 32 Гб
330,00 руб.
В корзину
Видеодомофон MIA MARS FHD (белый)
Видеодомофон MIA MARS FHD (белый)
Новинки
(33)

Современный дизайн монитора, с поддержкой FHD качества вызывных панелей и дисплеем 7" TFT LCD.
Все управление осуществляется сенсорными кнопками.
Подключение до 4-х вызывных панелей (с замещением входов для камер)
Подключение до 2-х камер
Подключение до 6 –х мониторов в интерком
Запись фото/видео
Запись детекции движения – 4 канала
Поддержка SD карты до 128 Гб
333,00 руб.
В корзину
Видеодомофон MIA MARS FHD (черный)
Видеодомофон MIA MARS FHD (черный)
Новинки
(36)

Современный дизайн монитора, с поддержкой FHD качества вызывных панелей и дисплеем 7" TFT LCD.
Все управление осуществляется сенсорными кнопками.
Подключение до 4-х вызывных панелей (с замещением входов для камер)
Подключение до 2-х камер
Подключение до 6 –х мониторов в интерком
Запись фото/видео
Запись детекции движения – 4 канала
Поддержка SD карты до 128 Гб
333,00 руб.
В корзину
Видеодомофон MIA MARS (черный)
Видеодомофон MIA MARS (черный)
(15)

Современный дизайн монитора, с дисплеем 7" TFT LCD.
Все управление осуществляется сенсорными кнопками.
Подключение 2-х вызывных панелей
Выносной блок питания -питание от сети 220В
Громкая связь
Функция отключения звука
Есть дополнительное встроенное реле, что позволяет управлять одновременно воротами и калиткой.
199,00 руб.
В корзину
Видеодомофон MIA MARS (белый)
Видеодомофон MIA MARS (белый)
(22)

Современный дизайн монитора, с дисплеем 7" TFT LCD.
Все управление осуществляется сенсорными кнопками.
Подключение 2-х вызывных панелей
Выносной блок питания -питание от сети 220В
Громкая связь
Функция отключения звука
Есть дополнительное встроенное реле, что позволяет управлять одновременно воротами и калиткой.
199,00 руб.
В корзину
Видеодомофон MIA ANT (черный)
Видеодомофон MIA ANT (черный)
Новинки
(43)

Современный дизайн монитора, с дисплеем 4,3" TFT LCD.
Все управление осуществляется сенсорными кнопками.
Подключение 2-х вызывных панелей
Выносной блок питания -питание от сети 220В
Громкая связь
Функция отключения звука
Есть дополнительное встроенное реле, что позволяет управлять одновременно воротами и калиткой.
Совместимость с большинством панелей видеодомофонии.
144,00 руб.
В корзину
Видеодомофон MIA ANT (белый)
Видеодомофон MIA ANT (белый)
(26)

Современный дизайн монитора, с дисплеем 4,3" TFT LCD.
Все управление осуществляется сенсорными кнопками.
Подключение 2-х вызывных панелей
Выносной блок питания -питание от сети 220В
Громкая связь
Функция отключения звука
Есть дополнительное встроенное реле, что позволяет управлять одновременно воротами и калиткой.
Совместимость с большинством панелей видеодомофонии.
144,00 руб.
В корзину
ПРОСМОТРЕННЫЕ ТОВАРЫ
Видеодомофон MIA ANT (черный)
Видеодомофон MIA ANT (черный)
Новинки
(43)

Современный дизайн монитора, с дисплеем 4,3" TFT LCD.
Все управление осуществляется сенсорными кнопками.
Подключение 2-х вызывных панелей
Выносной блок питания -питание от сети 220В
Громкая связь
Функция отключения звука
Есть дополнительное встроенное реле, что позволяет управлять одновременно воротами и калиткой.
Совместимость с большинством панелей видеодомофонии.
144,00 руб.
В корзину
Видеодомофон Arsenal Премиум FHD TUYA (белый)
Видеодомофон Arsenal Премиум FHD TUYA (белый)
(37)

Подключение 2-х вызывных панелей, 2 камеры видеонаблюдения, 4 дополнительных монитора.
Встроенный блок питания.
Touch Screen.
Возможность записи по движению видео или фото, на SD карту.
Мобильное приложение
Детекция движения по 4 каналам (2 вызывных панели, 2 камеры) с записью в фоновом режиме (экран не переходит в активное состояние).
Функция фоторамки
644,00 руб.
В корзину
Купить в один клик

Наш специалист свяжется с вами по этому номеру, уточнит детали доставки и оформит заказ

+375
Перезвоните мне
Купить в один клик
subscription Хотите первым узнавать
про Акции и Скидки?